
PRODUCT CLASSIFICATION
产品分类
更新时间:2025-12-03
浏览次数:123Kobayashi Tekko小林铁工SC310F6,12 英寸六爪涡旋卡盘
小林铁工 SC310F6 是一款 12 英寸六爪涡旋卡盘,属于该品牌 SC 系列六爪卡盘的中大型型号,主打大夹持力和高稳定性,适配中大型工件的车床精密加工。
核心优势


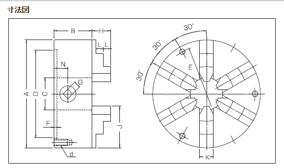
| 型 式 | No | A | B | C | D(H6) | E | F | H | J | K | L | N | G | d取付ボルト | 図面 |
|---|---|---|---|---|---|---|---|---|---|---|---|---|---|---|---|
| SC165F6 | 6 | 167 | 66 | 44(46) | 130 | 147 | 5 | 25 | 65 | 19 | 10 | 24.6 | 10 | 3-M10×40 | |
| SC190F6 | 7 | 192 | 75 | 54(58) | 155 | 172 | 5 | 30 | 75 | 21 | 12 | 27.2 | 11 | 3-M10×40 | |
| SC230F6 | 9 | 233 | 82 | 70(75) | 190 | 210 | 6 | 35 | 87 | 24 | 14 | 29.5 | 12 | 3-M12×45 | |
| SC273F6 | 10 | 274 | 86 | 90(100) | 230 | 250 | 6 | 40 | 98 | 28 | 16 | 30.0 | 12 | 3-M12×50 | |
| SC310F6 | 12 | 310 | 92 | 110(120) | 260 | 285 | 7 | 45 | 110 | 30 | 17 | 32.2 | 14 | 3-M12×55 |
| 型 式 | 大ハンドルトルク | 大静的把握力 | 把握範囲 | 適合生爪 | 質量 (使用重量) | GD² | 許容高回転数 | |
|---|---|---|---|---|---|---|---|---|
| 外径 | 内径 | |||||||
| SC165F6 | 107.9(11) | 28(2,850) | 6~134(163) | 45~122(151) | SSJ-165F6 | 9 | 1.37(0.14) | 2,250 |
| SC190F6 | 117.7(12) | 28(2,880) | 6~152(195) | 50~150(183) | SSJ-190F6 | 13 | 2.65(0.27) | 1,850 |
| SC230F6 | 137.3(14) | 34(3,420) | 7.5~187(234) | 66~175(222) | SSJ-230F6 | 20 | 5.98(0.61) | 1,700 |
| SC273F6 | 176.5(18) | 41(4,230) | 8.5~220(274) | 80~208(262) | SSJ-230F6 | 32 | 13.2(1.35) | 1,400 |
| SC310F6 | 196.2(20) | 49(5,040) | 10~252(318) | 99~238(302) | SSJ-230F6 | 38 | 20.6(2.10) | 1,250 |